

JGT1200
该机主要是将聚酰胺(锦纶)POY原丝,通过拉伸和假捻变形加工成具有高弹性能的假捻变形丝(锦纶DTY弹力丝)。
一、设备概况
该机主要是将聚酰胺(锦纶)POY原丝,通过拉伸和假捻变形加工成具有高弹性能的假捻变形丝(锦纶DTY弹力丝)。
二、设备主要部件性能与盘点
1、热箱
上热箱(变形热箱)采用联苯气相加热法,具有超温报警自切原丝功能。
2、传动系统
采用单轴单电机直接传动,A/B两面可以相对独立运行。
3、假捻器
采用叠盘式假捻器,A/B两面独立龙带驱动,安装陶瓷导入和导出盘,配置范围1-4-1至1-7-1可选,工作盘有PU盘及陶瓷盘两种规格可选。

4、罗拉
W1/W2罗拉均采用皮辑式结构,铝合金皮辑架,W2带分丝银。

5、卷绕系统
采用全新的筒管架及卷绕系统,三层独立上油槽,整体式上油棍。

三、外形尺寸示意图

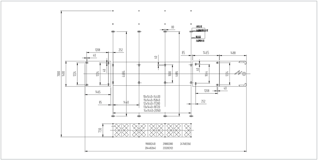
四、安装地脚图

锭数 | 240 锭 | 264锭 | 288锭 | 312锭 | 336锭 | |
节数 | 10 | 11 | 12 | 13 | 14 | |
锭距 | 110mm | |||||
最高机械速度 | 1000m/min | |||||
适纺原料及纤度 | 聚酯胺(锦纶)22-222dtex(20-200Denier) | |||||
节距 | 1440 mm | |||||
假捻方式 | 叠盘式假捻器摩擦假捻 | |||||
摩擦盘规格 | Φ45 X6mm | |||||
假捻装置最高转速 | 18000r/min | |||||
假捻方向 | S、Z可调 | |||||
第一热箱(变形) | 联笨气相加热2000 mm | |||||
变形热箱温度范围 | 160-250℃ | |||||
冷却方式及长度 | 冷却板自然冷却1100mm | |||||
摩擦辊直径 | Φ75 mm | |||||
罗拉直径 | Φ75 mm | |||||
上油罗拉直径 | Φ30 mm | |||||
原丝最大尺寸 | Φ435x250 mm | |||||
最大卷装尺寸 | Φ250x245 mm | |||||
卷装标准重量 | 5kg | |||||
卷取纸管规格 | Φ69Xφ57x 290 mm | |||||
装机功率分类 | 传动 | 85Kw | 96Kw | 99Kw | 111Kw | 111Kw |
上热箱 | 68Kw | 74.8Kw | 81.6Kw | 88.4Kw | 95.2Kw | |
辅助功率 | 约6Kw | |||||
总功率 | 159Kw | 176.8Kw | 186.6Kw | 205.4Kw | 212.2Kw | |
外形尺寸 | 配固定原丝架 | 19000X7000X5250 | 20440X7000X5250 | 21880X7000X5250 | 23320X7000X5250 | 24760X7000X5250 |