JGT1000M/MF
该机主要是将POY原丝(聚酯预取向丝),通过拉伸和假捻变形加工成具有低弹性能的假捻变形丝(DTY涤纶弹力丝),若在设备上选择增加网络部件还可以进行网络丝的加工。


JGT1000M/MF
该机主要是将POY原丝(聚酯预取向丝),通过拉伸和假捻变形加工成具有低弹性能的假捻变形丝(DTY涤纶弹力丝),若在设备上选择增加网络部件还可以进行网络丝的加工。
一、设备概况
该机主要是将POY原丝(聚酯预取向丝),通过拉伸和假捻变形加工成具有低弹性能的假捻变形丝(DTY涤纶弹力丝),若在设备上选择增加网络部件还可以进行网络丝的加工。
二、设备主要部件性能与特点
3.1、全新的上热箱(第一热箱)结构布置,操作高度低、丝道布置更为合理,第一热箱(变形热箱)和第二热箱(定型热箱)均采用联苯气相加热法,同样具有超温报警自切原丝功能。
3.2、采用单轴单电机直接传动, A/B两面可以相对独立运行。
3.3、采用叠盘式Ⅷ型假捻器,A/B两面独立龙带驱动,安装陶瓷导入和刀口导出盘,配置范围1-4-1至1-7-1可选,工作盘有PU盘及软陶瓷两种规格可选。
3.4、W1/W2/W3罗拉均采用皮圈式结构,铝合金皮圈架。

3.5、共有两种原丝架可供用户选择,固定式与旋转式两种。

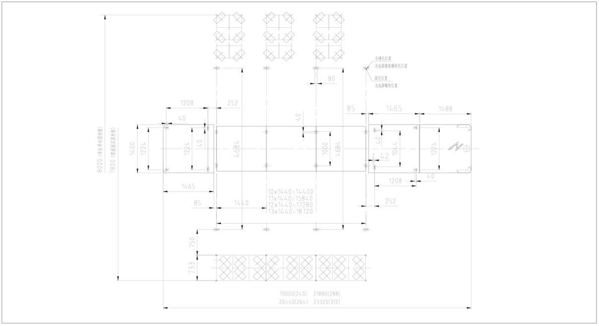
三、外形尺寸示意图

四、安装地脚图

锭数 | 240锭 | 264锭 | 288锭 | 312锭 | |
节数 | 10 | 11 | 12 | 13 | |
锭距 | 110mm | ||||
最高机械速度 | 1000m/min | ||||
适纺原料及纤度 | 聚酯167-333dtex(150- 300Denier) | ||||
节距 | 1440mm | ||||
假捻方式 | 叠盘式Ⅷ型假捻器摩擦假捻 | ||||
假捻装置最高转速 | 18000 r/min | ||||
假捻方向 | S,Z可调 | ||||
M型第一热箱(变形) | 联苯气相加热/2000mm或2500mm | ||||
F型第一热箱(变形) | 联苯气相加热/2500mm | ||||
第二热箱(定型) | 联苯气相加热/1460mm | ||||
变形热箱温度范围 | 160-250℃ | ||||
定形热箱温度范围 | 160-250℃ | ||||
冷却方式和长度 | 冷却板自然冷却/2100mm | ||||
摩擦辊直径 | Φ100mm | ||||
罗拉直径 | Φ75mm | ||||
上油罗拉直径 | Φ75mm | ||||
原丝最大尺寸 | Φ435×250mm | ||||
最大卷装尺寸 | Φ250×250mm | ||||
卷装标准重量 | 5kg | ||||
卷取纸管规格 | Φ69×Φ57×290mm | ||||
装机功率分类 | 传动 | 107.5 kw | 110.5kw | 110.5kw | 127kw |
上热箱 | 80 kw/80kw | 88kw/88w | 96kw/96 | 88w/104w | |
下热箱 | 24 kw | 26.4kw | 28.8kw | 31.2kw | |
辅助功率 | 约6kw | ||||
总功率 | 205.5kw/217.5kw | 217.7kw/236.9kw | 226.9kw/241.3kw | 252.6kw/268.2kw | |
外形尺寸 (配固定原丝架) | 19000×7800×4160 mm | 20440×7800×4160 mm | 21880×7800×4160 mm | 23320×7800×4160 mm | |
19000×7800×4930 mm | 20440×7800×4930 mm | 21880×7800×4930 mm | 23320×7800×4930 mm | ||