HKV101C型络筒机
该机为包覆丝机,花式捻线机等配套的前道设备,适用于化纤、混纺、棉纱等原料的络筒,采用电脑控制方式,具有操作简便、效率高、占地面积小等优点。


HKV101C型络筒机
该机为包覆丝机,花式捻线机等配套的前道设备,适用于化纤、混纺、棉纱等原料的络筒,采用电脑控制方式,具有操作简便、效率高、占地面积小等优点。
一、设备概况
该机为包覆丝机,花式捻线机等配套的前道设备,适用于化纤、混纺、棉纱等原料的络筒,采用电脑控制方式,具有操作简便、效率高、占地面积小等优点。
二、产品特点
1、微电脑控制滚珠丝杠:多种不同的卷绕模式可供选择,成型优良。
2、固定式刹车装置:操作简单、控制灵敏。
3、采用上下推拉杆:动力传递均衡,负载小。
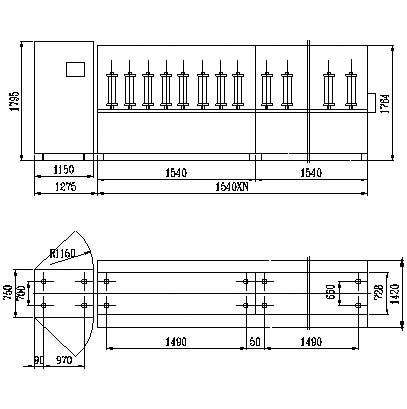
三、外形尺寸示意图

型式 | 双面单层 | ||||
锭数 | 48 | 64 | 80 | 96 | 112 |
每节锭数(锭) | 16 | ||||
节数(节) | 3 | 4 | 5 | 6 | 7 |
锭距(mm) | 185 | ||||
卷取线速(m/min) | 300~500 | ||||
卷绕直径(mm) | Ф74~Φ105 | ||||
成型控制 | 滚珠丝杠+专用电脑变频控制 | ||||
装机功率KW | 4.75 | 6.25 | |||
重量kg | 1500 | 1750 | 2000 | 2250 | 2500 |
外形尺寸(mm) | 5895×1420×1795 | 7435×1420×1795 | 8975×1420×1795 | 10515×1420×1795 | 12055×1420×1795 |